结构
本系列主令控制器除LK5-227为防水式外,其它都制成保护式,其开关装置封闭于壳子内,为了避免偶而触及带电部分,并防止外物落入开关装置内,外壳用扣固定于身上。
动作原理
触头的断开与闭合系借助于触头支持,动触头与弹簧的作用。当触头支持上的滚子作用在凸轮边缘上时,触头便断开。当触头支持上的滚子位于凸轮凹处时,由于弹簧的作用使动触头与静触头闭合。
|
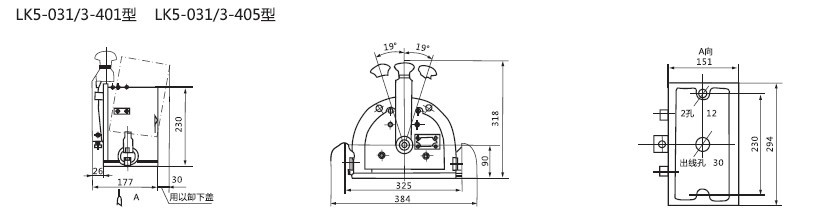
型号
|
凸轮盘
数目 |
工作电
路数 |
备用电
路数 |
工作位
置数 |
重量
(kg) |
传动机构种类
|
|
LK5-027-1
|
1
|
2
|
|
1-0-1
|
5
|
手柄直接操作可自复到零位
|
|
LK5-031/3-401
|
2
|
4
|
|
1-0-1
|
15
|
手柄直接操作
|
|
LK5-031/3-405
|
可自复到零位
|
|||||
|
LK5-031/3-601
|
3
|
6
|
|
3-0-3
|
15
|
手柄直接操作
|
|
LK5-031/3-603
|
1-0-1
|
有定位装置
|
||||
|
LK5-051/6-816
|
4
|
8
|
1
|
7-0-7
|
48
|
带正齿轮传动装置,1:2的手柄
|
|
LK5-051/6-1003
|
5
|
10
|
每一们有定位装置
|
|||
|
LK5-052/2-816
|
4
|
8
|
|
7-0-7
|
25
|
带正齿轮传动装置,
1:2的与杠杆相连的摇有 |
|
LK5-052/2-1003
|
5
|
10
|
|
无固定的位置
|
主令控制器触头的负荷及极限转换能力
|
型号
|
|
极限关合
能力(A) |
极限分断能力(A)
|
||||
|
额定电流(A)
|
直流
|
交流
|
|||||
|
|
直流?
|
交流
|
110伏
|
?
220伏
|
?
440伏
|
380伏
|
|
|
LK5-027
|
10
|
10
|
100
|
2
|
1.5
|
0.3
|
10
|
|
其它各型
|
10
|
10
|
100
|
2.5
|
2
|
0.5
|
10
|






