| 
						 
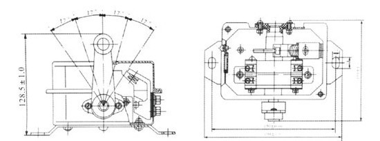
							LX10-11、12、12B
						 
					 | 
					
						 
							采用杠杆操作,用于惯性行程较大的平移机构
						 
					 | 
				||||
| 
						 
							LX10-21、22
						 
					 | 
					
						 
							带有滚子的叉型操动臂,用于惯性行程较大的平移机构
						 
					 | 
				||||
| 
						 
							LX10-31、32
						 
					 | 
					
						 
							带有平衡重锤的荷重扛杵状的操作动臂,用于限制提升机构的行程
						 
					 | 
				||||
| 
						 
							LX10-41、42
						 
					 | 
					
						 
							带有叉型操动臂,用于三个操作位置的平移机构
						 
					 | 
				||||
| 
						 
							1X10-51、52
						 
					 | 
					
						 
							带有荷重扛杵状的操作动臂,用于速度不大的平移机构
						 
					 | 
				||||
| 
						 
							LX10-61、62
						 
					 | 
					
						 
							在外壳的两侧各有一个带滚子的操动臂,用于速度较大的平移机构
						 
					 | 
				||||
| 
						 
							LX10-11S、12S
						 
					 | 
					
						 
							采用尺扞操动臂,用于惯性行程较大的平移机构
						 
					 | 
				||||
| 
						 
							LX10-21S、22S
						 
					 | 
					
						 
							带有滚子的叉型操动臂,用于惯性行程较大的平移机构
						 
					 | 
				||||
| 
						 
							LX10-31S、32S
						 
					 | 
					
						 
							带有平衡重锤的荷重扛杵状的操作动臂,用于限制提升机构的行程
						 
					 | 
				||||
| 
						 
							LX10-41S、42A
						 
					 | 
					
						 
							带有叉型操动臂,用于三个操作位買的平移机构
						 
					 | 
				||||
| 
						 
							LX10-51S、52A
						 
					 | 
					
						 
							带有荷重扛杵状的操作动臂,用于速度不大的平移机构
						 
					 | 
				||||
| 
						 
							LX10-61S、62S
						 
					 | 
					
						 
							在外壳的两侧各有一个带滚子的操动臂,用于速度较大的平移机构
						 
					 | 
				||||

