JCZ系列制动器用于MZS1系列制动电磁铁作操作元件,广泛用于起吊、行车卷扬机等机械运行的设备上作机械制动用。
二、型号及其含义

电磁铁装置形式概述
电磁铁装置形式,电磁铁吸力(牛顿),制动轮直径,制动器,长行程,交流
制动器型号
制动轮直径 (mm)
制动力矩 (kg-m)
制动瓦退矩 (mm)
电磁铁
型号
吸力(包括衔
衔铁
衔铁额定
重量(kg)
制动器
JCX-200/15
200
20
0.7
MZS1-15
20
4.5
50
22
51
JCX-300/15
300
32
0.7
MZS1-15
20
0.7
50
22
82.6
JCX-300/25H
300
63
0.7
MZS1-25H
35
0.7
50
45
105.7
JCX-400/45HA
400
160
0.8
MZS1-45HA
56.5
0.8
50
55
173.5
JCX-500/45H
500
210
0.8
MZS1-45H
56.5
0.8
50
55
219.3
JCX-500/80H
500
250
0.8
MZS1-80H
115
0.8
50
183
356
JCX-600/100H
600
500
0.8
MZS1.100
140
0.8
50
213
529.4
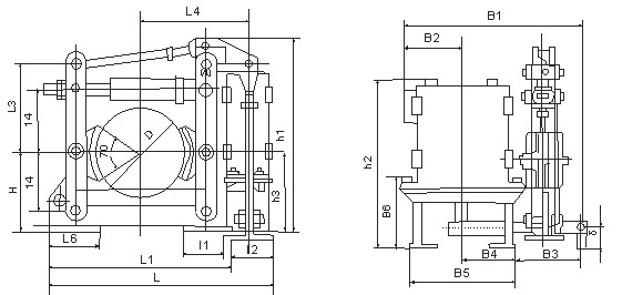
五、产品尺寸及附图
三、结构及动作简介
1.JCZ系列交流制动器,是通过摩擦时,使回转机构停止运动的一种机械制动装置,此种制动力矩产生是由电磁忒操纵制动来实现,制动力矩的大小可用弹簧进行调节。
2.制动器主要由底座、支柱、闸瓦、调整杆、弹簧组成、闸瓦与支柱、支柱与底座都是轴销连接,可在一定范围倾斜或转动,主弹簧安装在支柱的上部。
3.电磁铁安装在调整杆的一端,当其通电动作时,带动调整杆使主弹簧压缩,这时两片闸瓦即张开,回转机构可以正常运行。当电磁铁通电时带动调整杆向反方向移动.这时主弹簧之弹性压力将闸瓦紧压向回转的制动轮上,而使机构停止运动。
4.制动闸瓦工作表面采用石棉刹车材料制成。
5.本制动器出厂不包括电磁铁部分,用户选用时需按型号另行定购。
铁重量N)
重量(kg)
行程(mm)
重量(kg)

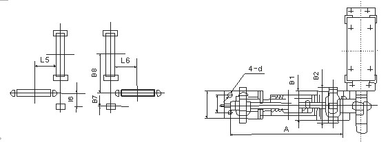
型号
尺寸(mm)
D
H
A
b
d
6
L
L1
L2
B
B1
B2
B3
B4
JCZ200/15
200
170
350
60
17
8
540
390
280
100
90
126
110
250
JCZ300/15
300
240
500
80
22
10
680
550
400
130
140
165
110
250
JCZ300/15H
300
240
500
80
22
10
680
650
400
130
140
165
110
250
JCZ400/45HA
400
320
650
130
22
12
857
700
530
180
180
210
200
390
JCZ500/45H
500
400
760
150
22
16
9g2
810
640
200
200
250
200
390
JCZ500/80
500
400
760
150
22
16
1007
810
640
200
200
250
200
390
JCZ600/100
600
475
950
170
26
18
1218
1000
780
220
240
305
220
520
型号
尺寸(mm)
B5
B6
B7
B8
L1
L2
L3
L4
L5
L6
h
h1
h2
h3
JCZ200/15
285
190
570
150
135
145
200
50
270
100
438
468
180
JCZ300/15
280
190
570
150
190
210
280
53
330
150
593
468
180
JCZ300/15H
320
212
592
150
190
210
280
53
330
150
可变
593
512
180
JCZ400/45HA
415
212
827
204
245
200
340
54
400
160
750
710
305
JCZ500/45H
415
212
827
204
320
335
420
58
485
180
913
710
305
JCZ500/80
525
345
960
234
320
335
420
58
485
180
913
899
370
JCZ600/100
525
345
1110
230
380
410
520
80
600
250
1115
1032
415

