注:控制器类型可选 A型:其功能包括:手动-自动转换、失压与断相转换、转换延时设置。
B型:其功能包括:手动-自动转换、失压、欠压、超压与断相转换、转换延时设置,提供发电机启动触头,LED显示。可增加消防
“切非”
D型:其功能包括:手动-自动转换、转换延时设置,提供发电机启动 触点,LCD显示,中文界面。可增加消防“切非”,通讯接口
二次接线图,极大 方便工程设计。建议采用左图方式标图。
具有隔离功能可靠触头指示
?所有断路器隔离功能应符合IEC60947-2标准:
?隔离位置对应于“0”(OFF位置)。
?只有触头真正打开,操作手柄才能指示“OFF”位置
?触头打开,才可以安装挂锁。旋转手柄或电动机构不会改变触头指示系统的可靠性。
?隔离功能保证:
-触头指示系统的机械可靠性
-无漏电电流
-进出线端子之间的过电压耐受能力
产品功能解释
?自投自复:当常用电源正常时,控制器发出指令,常用电源控制断路器合,备用电源控制断路器分,自动换开关 电器处于(1,0)当常用电源异常时,控制器发出指令,常用电源控制断路器分,备用电源控制断路器分,自动转换 开关电器处于(0.1)当常用电源恢复正常时,控制器发出指令,常用电源控制断路器合,备电源控制断路器分,自 动转换开关电器又处于(1,01状态。
?自投不自复:当常用电源正常时,控制器发出指令,常用电源控制断器合,备用电源控制断路器分,双电源自动 转换开关处于(1,0)当常用电源异常时,控制器发出指令,常用电源控制断路器分,备用电源控制断路器合。
双电源自动转换开关处于(0,1)当常用电源恢复正常时,自动转换开关电器仍处于(0,1)状态,只有操作复位按钮才能 使常用电源控制断路器合,备用电源控制断路器分,双电源自动切换装置又处于(1,0)状态。
?互为备用:当常用电源正常时,控制器发出指令,常用电源控制断路器合,备用电源控制断路器分,双电源自动 转换开关处于(1,0)当常用电源异常时,控制器发出指令,常用电源控制断路器分,备用电源控制断路器合。
双电源自动切换装置处于(0,1)当常用电源恢复正常时,自动转换装置电器仍处于(0,1)状态,只有备用电源断电,才 能使常用电源控制断路器合,备用电源控制断路器分,双电源自动切换装置又处于(1,0)状态。
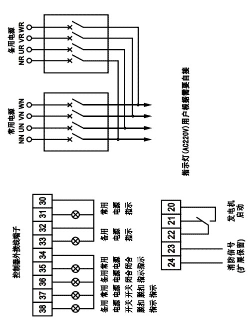
?指令(消防I复位(消防指令切非h无论双电源自动切换装置处于何种状态,消防中心发出切非指令,使双电源自动 切换装置常用电源控制断路器和备用电源控制断路器全部分闸,幵关处于(0,0)状态。
?反馈信号:反映双电源自动切换装置两台控制断路器工作状态的信号,一般从控制断路器辅助触点取出信号。
?电网-电网:双电源自动切换装置电源取自两路电网电源。
?电网-发电机:双电源自动切换装置电源取自电网电源和发电机。
?联络型:联络型双电源自动切换装置有三台塑壳断路器组成。其中,QA和QB塑壳断路器分别由两路电源或两段 母线电源供给,QC塑壳断路器在QA及QB输出端联络。当其中任意一路电源出现故障,该断路器分闸,QC断路器 重新合闸。双电源自动切换幵关恢复正常工作。
A型控制器
A型控制器置于自动转换装置内部,根据工作电源电压是否正常,决定是否进行电源切换。
?自动/手动工作方式切换 -自动操作:将自动/手动切换装置置于自动位 -手动操作:将自动/手动切换装置置于手动位
?延时时间及工作状态的设定(调整拨码幵关的位置,详见表-)
-转换延时tl: 0,5,15,30s;
-返回延时tl: 0,5,15,30s;
-工作状态:自投自复、互为备用、自投不自复
A型控制器动作参数设置 表一
|
工作状态设置 |
转换延时设置 |
返回延时设置 |
||||||||
|
K1 |
K2 |
工作状态 |
K3 |
K4 |
K5 |
延时时间(s) |
K6 |
K7 |
K8 |
延时时间(s) |
|
OFF |
OFF |
自投自复 |
OFF |
OFF OFF |
OFF |
0 |
OFF |
OFF |
OFF |
0 |
|
OFF |
ON |
互为备用 |
OFF |
OFF |
ON |
5 |
OFF |
OFF |
ON |
5 |
|
ON |
ON |
自投不自复 |
OFF |
ON |
ON |
15 |
OFF |
ON |
ON |
15 |
|
ON |
ON |
ON |
30 |
ON |
ON |
ON |
30 |
|||
B型控制器
B型控制器位于装置外部,功能丰富
?根据工作电源电压是否在所设定正常范围内,以及自动转换幵关所处的工作方式决
定是否进行电源转换。
?备用发电机组的启停控制
?方便的按键式手动强制转换动作
?消防联动功能(可选模块)
CRQ3A-100-250
CRQ3B-100-630
接线图
|
型号 |
外形尺寸 |
安装尺寸 |
|||||
|
L(3P、4P) |
W(3P、4P) |
H(3P、4P) |
L1(3P、4P) |
W1(3P、4P) |
D(φ) |
||
|
CRQ3A-100 |
430/500 |
200 |
140 |
400/470 |
155 |
6.5 |
|
|
CRQ3A-160 |
430/500 |
200 |
140 |
400/470 |
155 |
6.5 |
|
|
CRQ3A-250 |
430/500 |
200 |
140 |
400/470 |
155 |
6.5 |
|
|
CRQ3B-100 |
502/572 |
202 |
140 |
470/540 |
170 |
7 |
|
|
CRQ3B-160 |
502/572 |
200 |
140 |
470/540 |
170 |
7 |
|
|
CRQ3B-250 |
502/572 |
200 |
140 |
470/540 |
170 |
7 |
|
|
CRQ3B-400 |
620/710 |
277 |
192 |
590/680 |
245 |
9 |
|
|
CRQ3B-630 |
620/710 |
277 |
192 |
590/680 |
245 |
9 |
|
|
CRQ3D-100 |
430/500 |
185 |
140 |
400/470 |
155 |
6.5 |
|
|
CRQ3D-160 |
430/500 |
185 |
140 |
400/470 |
155 |
6.5 |
|
|
CRQ3D-250 |
430/500 |
185 |
140 |
400/470 |
155 |
6.5 |
|
|
CRQ3D-400 |
600/680 |
275 |
190 |
570/650 |
245 |
9 |
|
|
CRQ3D-630 |
600/680 |
275 |
190 |
570/650 |
245 |
9 |
|
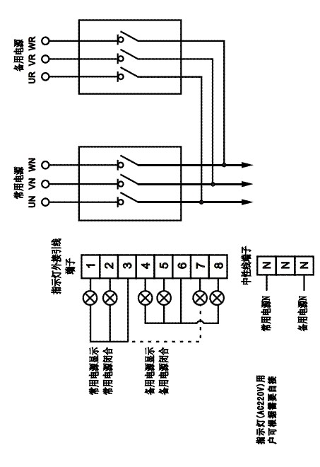
CRQ3A-100-250 3CB开关接线图
CRQ3A-100-250 4CB开关接线图
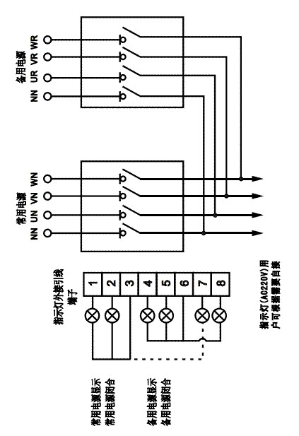
CRQ3B-100-630 3CB开关接线图
CRQ3B-100-630 4CB开关接线图
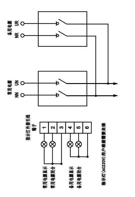
CRQ3A-32~100 2PC开关接线图
CRQ3A-32~250 3PC开关接线图
CRQ3A-32~250 4PC开关接线图
CRQ3B-32~100 3PC开关接线图
CRQ3B-32~100 4PC开关接线图
注:CRQ3A-32~100(PC)负荷开关接线图中实线部分对应,虚线部分仅适用于CRQ3A-32~250(PC) 负荷开关产器,两者的不同在后者负载电流达到10KA时,提供能量跳闸保护,外接了一个故障指示选项.

