用途及适用方面:
本系列仪表是直接模拟显示电测量指示仪表,测量直流电流、电压,交流电流、电压,频率,功率因数,相序,功率,同步指示及其它的非电量测量。大量应用于海事船舶,轨道交通,化工防爆,低压成套装备,建筑设备,发电机组,机械设备等行业的各种交、直流输配电系统、电力控制屏及用其它电设备上。作用于电测量和非电量测量,是适用于环境条件一般要求较为通用的中高档仪表。
标准及认证方面:
指针仪表是按照GB/T7676-1998,数显仪表是按照GB/T22264-2008标准生产,其安全性能按照GB4793和IEC61010标准生产。标度盘的刻度线与指针设计符合德国DIN43790和DIN43802标准。仪表的外形和开孔尺寸按照GB/T1242和IEC61554标准生产。上海人民电气有限公司所有产品经过国家CE认证,并获得IS0;9001认证。
板表外壳方面:
JY系列底座由阻燃TBT塑料制成,维卡温度130℃。外壳由阻燃ABS塑料制成,维卡温度85℃。
温度引起的改变量方面:
参比温度为23℃±2℃。13℃~23℃以及23℃~33℃温度范围内,温度影响允许改变量不大于等级指数的±100%。
安装位置及安装方式方面:
除非另有规定,通常仪表是在垂直位置安装。其它安装位置如:水平安装、倾斜安装可根据客户要求制作。相应的准确度等级仅对规定的安装位置有效。仪表分直角90°和广角250°,两种指示角度。
抗振动和冲击的影响方面:
抗振动:符合IEC60068-2-6标准;扫频范围:10-55-10Hz;位移振幅:±0.15mm, ±0.3mm。
扫频循环次数:5次;扫频速率:10ct/min;最大加速度:147m/s2(15g), 490m/s2(50g)。
加速度有效值:6.06g; 振动时间:15min。
抗机械冲击,符合IEC60068-2-27标准。
准确度等级方面:
JY系列指针仪表: 交直流电压表和电流表于1.5级或2.5级,功率表为2.5级,频率表为2.5级,功率因数表为2.5级。
过载电流表方面:
过载倍数常规为1倍和2倍过载倍数,可由用户要求定制为1倍、2倍、 3倍等。其作用为指示瞬时过载电流的大概值,如电动机启动时的启动电流等。
外附电流分流器方面:
直流电流表外附分流器电压降规格有150mV、100mV、75mV、60mV和50mV等可由用户要求定制。仪表与分流器连接的导线电阻要求在15~25mΩ之内,以确保仪表准确度。
表面标度盘方面:
表面标度盘:采用铝合金材料,白色漆底,黑色油墨印刷或激光打印印刷。可根据客户来样定制标度盘(可定制多种颜色套印)。夜光表标度盘采用PC板。
零位调节器方面:
除无机械零位读数仪表,其余所有仪表均有前置零位调节器,用于调整仪表机械零位。
主要技术参数
|
名称 |
代号 |
精度 |
常用规格 |
备注 |
|
交流电流表 |
A |
1.5 |
0.5-50A |
直接接通 |
|
交流电流表 |
A |
1.5 |
10/5A-800/5A |
经电流互感器通次级电流 |
|
交流电流表 |
KA |
1.5 |
1KA-10KA |
经电流互感器通次级电流 |
|
交流电压表 |
V |
1.5 |
10V-600V |
直接接通 |
|
交流电压表 |
KV |
1.5 |
1KV-35KV |
经电压互感器通次级电压 100V |
|
直流电流表 |
μA mA |
2.5 |
50μA-500μA 1mA-500mA |
直接接通 |
|
直流电流表 |
A |
1.5 |
1A-15A |
直接接通 |
|
直流电流表 |
A |
1.5 |
15A-750A |
接外附分流器75mV 60mV 50mV |
|
直流电流表 |
KA |
1.5 |
1KA-3KA |
接外附分流器75mV 60mV 50mV |
|
直流电压表 |
V |
1.5 |
3V-600V |
直接接通 |
|
直流电压表 |
KV |
1.5 |
1KV-3KV |
接外附定值电阻 |
|
频率表 |
Hz |
2.5 |
45-55HZ 55-65HZ |
36V.100V.127V.220V.380V |
|
功率表 |
KW VAR |
2.5 |
100V 380V 380-380KV |
经电压互感器通次级电压100V 经电流互感器通次级电流5-10KA/5A |
|
功率因数表 |
cosφ |
2.5 |
COSφ=0.5-1-0.5 |
100V/5A 220V/5A 380V/5A |
接线图:


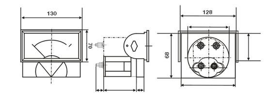
外形及开口尺寸:

